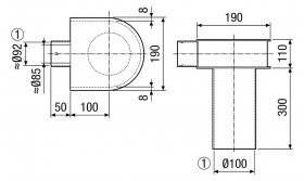
Maico Winkel MF-WLF100/90 - 0018.0607
- Winkel zum 90° Übergang von Flexrohr MF-F90 auf Ventil DN 100
- Stutzenlänge 300 mm
- MF-WLF100/90: Direktes 90°-Übergangsstück vom runden Querschnitt (Zu-oder Abluftventil) NW 100 auf Flexrohr MF-F90
- Ventil-Anschlussstutzen mit Muffenmaß
- die Flexrohr-Anschlussstutzen haben jeweils zwei eindrückbare Befestigungsklammern ,welche eine schnelle und kostengünstige Fixierung der Flexrohre ermöglichen
https://www.maico-ventilatoren.com/produkte/p/winkel-mf-wlf-g38201/mf-wlf100-90-p87601
© Maico Ventilatoren
Angaben zur Produktsicherheit
Herstellerinformationen:
Maico
, ,
| Produkteigenschaft |
Wert |
| Inhalt: |
1,00 Stück
|
Es gibt noch keine Bewertungen.
Maico Elektroapparate-Fabrik GmbH
Steinbeisstraße 20
78056 Villingen-Schwenningen
info@maico.de